Магазин запчастей для бытовой техники - Arlos
Москва
close
Выберите ваш регион
АбаканАлександровАльметьевскАнгарскАрзамасАрмавирАртемАрхангельскАстраханьАчинскБалаковоБалашихаБеларусьБелгородБердскБерезникиБийскБлаговещенскБратскБрянскВеликий НовгородВидноеВладивостокВладикавказВладимирВолгоградВолгодонскВолжскийВологдаВолховВоркутаВоронежВоскресенскВыборгГатчинаГеленджикГрозныйДедовскДербентДзержинскДзержинскийДимитровградДмитровДолгопрудныйДомодедовоДонецкЕвпаторияЕгорьевскЕкатеринбургЕлецЕссентукиЖелезногорскЖелезнодорожныйЖуковскийЗеленоградЗлатоустИвановоИвантеевкаИжевскИркутскИстраЙошкар-ОлаКазаньКалининградКалугаКаменск-УральскийКамышинКаспийскКемеровоКерчьКировКисловодскКлинКовровКоломнаКомсомольск-на-АмуреКопейскКоролёвКостромаКотельникиКрасногорскКраснодарКраснознаменскКрасноярскКурганКурскКызылЛенинск-КузнецкийЛипецкЛобняЛыткариноЛюберцыМагнитогорскМайкопМалаховкаМахачкалаМиассМоскваМурманскМуромМытищиНабережные ЧелныНазраньНальчикНаро-ФоминскНахабиноНаходкаНевинномысскНефтекамскНефтеюганскНижневартовскНижнекамскНижний НовгородНижний ТагилНовокузнецкНовокуйбышевскНовомосковскНовороссийскНовосибирскНовоуральскНовочебоксарскНовочеркасскНовошахтинскНовый УренгойНогинскНорильскНоябрьскОбнинскОдинцовоОктябрьскийОмскОрелОренбургОрехово-ЗуевоОрскПавловский ПосадПензаПервоуральскПермьПетрозаводскПетропавловск-КамчатскийПодольскПрокопьевскПсковПушкиноПятигорскРаменскоеРеутовРостов-на-ДонуРубцовскРыбинскРязаньСакиСалаватСамараСанкт-ПетербургСаранскСаратовСевастопольСеверодвинскСеверскСергиев ПосадСерпуховСимферопольСмоленскСосновый БорСочиСтавропольСтарый ОсколСтерлитамакСтупиноСургутСызраньСыктывкарТаганрогТамбовТверьТихвинТольяттиТомилиноТомскТроицкТулаТюменьУлан-УдэУльяновскУссурийскУсть-ИлимскУфаУхтаФеодосияФрязиноХабаровскХанты-МансийскХасавюртХимкиЧебоксарыЧелябинскЧереповецЧеркесскЧеховЧитаШахтыЩелковоЭлектростальЭлистаЭнгельсЮжно-СахалинскЯкутскЯлтаЯрославль
  • - бесплатно по РФ
    Автоперезвон. Работает по принципу: Вы позвонили на номер, мы сбрасываем звонок и перезваниваем через 3 секунды.
  • - по Москве
  • 8 (925) 663-83-63

Call-центр

пн-вс: 10:00-19:00

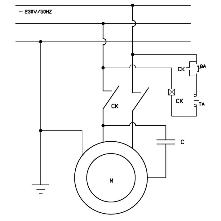
Электроплиткорез ЭП-250-1200С

Данная модель имеет несколько схем

NАртикулНазваниеСрок отгрузкиЦенаКупить
1 N000-022-119 Стойка левая
2 N000-022-120 Гайка
3 N000-022-121 Гайка
4 N000-022-122 Шайба
5 N000-022-123 Винт-барашек
6 N000-022-124 Винт
7 N000-022-125 Шайба
8 N000-022-126 Винт
9 N000-022-127 Шайба упругая
10 N000-022-128 Шайба
10 V000-003-284 Выключатель электромагнитный V000-003-284 для ЗЭП-1100С, ЭП-200-1000Н, СП-620 490 р.
11 N000-022-129 Профиль направляющий V1 L1300 N000-022-129 для плиткорезов ЭП-250-1200С, СП-1020 1.289 р.
11 N000-022-129-2 Профиль направляющий V2 L1300 5.020 р.
12 N000-022-130 Винт
13 N000-022-131 Шайба упругая
14 N000-022-132 Шайба
15 N000-022-133 Ручка
16 N000-022-134 Рукоятка 115 р.
17 N000-022-135 Кронштейн
18 N000-022-136 Гайка
19 N000-022-137 Шпилька
20 N000-022-138 Винт
21 N000-022-139 Шайба упругая
22 N000-022-140 Шайба
23 N000-022-141 Пластина фиксирующая
24 N000-022-142 Ось
25 N000-022-143 Шайба
26 N000-022-144 Винт-барашек
27 N000-022-145 Винт
28 N000-022-146 Шайба упругая
29 N000-022-147 Шайба
30 N000-022-148 Упор 132 р.
31 N000-022-149 Каретка
32.1 N000-022-150 Статор АДС в сборе с корпусом 9.041 р.
32.2 N000-022-444 Ротор АД 8.197 р.
33 N000-022-151 Кожух диска
34 N000-022-152 Кольцо водоотбивное
35 U009-150-019 Фланец внутренний D65x25.4 195 р.
36 N000-022-041 Диск 250x25.4x2.4mm
37 U009-370-015 Фланец внешний D65x25.4 190 р.
38 N000-022-153 Гайка M12 (Левая резьба)
39 N000-022-154 Крышка кожуха
40 N000-022-155 Шайба
41 N000-022-156 Шайба упругая
42 N000-022-157 Винт
43 N000-022-158 Шайба упругая
44 N000-022-159 Винт
45 N000-022-160 Гайка-барашек
46 N000-022-161 Пластина
47.1 N000-022-162 Брызговик
47.2 N000-022-162-2 Брызговик передний
48 N000-022-163 Винт
49 N000-022-164 Гайка
50 N000-022-165 Шайба
51 N000-022-166 Шайба упругая
52 N000-022-167 Винт
53 N000-022-168 Кронштейн
54 N000-022-169 Винт
55 N000-022-170 Гайка
56 N000-022-171 Указатель
57 N000-022-172 Стойка правая
58 N000-022-173 Винт
59 N000-022-174 Опора направляющей
60 N000-022-175 Кронштейн
61 N000-022-176 Транспортир
62 N000-022-177 Ручка блокировки
63 N000-022-178 Винт
64 N000-022-179 Винт-барашек
65 N000-022-180 Направляющая
66 N000-022-181 Винт
67 N000-022-182 Фиксатор направляющей
68 N000-022-183 Опора направляющей
69 N000-022-184 Винт
70 N000-022-185 Шайба
71 N000-022-186 Пластина
72 N000-022-187 Контргайка
73 N000-022-188 Поверхность рабочая
74 N000-022-189 Поверхность рабочая 1
75 N000-022-190 Винт-барашек
76 N000-022-191 Ножка 97 р.
77 N000-022-192 Винт
78 N000-022-193 Ось
79 N000-022-194 Колесо комбинированое 4″ D100хd12.5х28 166 р.
80 N000-022-195 Гайка
81 N000-022-196 Кронштейн 132 р.
82 N000-022-197 Ножка резиновая 140 р.
83 N000-022-198 Шайба
84 N000-022-199 Шайба упругая
85 N000-022-200 Гайка-барашек
86 N000-022-201 Поверхность рабочая вспомогательная
87 N000-022-202 Поддон-основание
88 N000-022-203 Уплотнение
89 N000-022-204 Шланг сливной
91 N000-022-205 Коробка выключателя
92 N000-022-206 Винт
93 N000-022-207 Хомут конденсатора
94 V000-007-545 Конденсатор 18uF 450V
95 N000-022-209 Винт
96 N000-022-210 Крышка
97 N000-022-211 Прокладка
98 N000-022-212 Саморез
99 N000-022-213 Клемник
100 N000-022-214 Винт
101 N000-022-215 Ввод кабельный
102 V000-006-346 Шнур сетевой H05RN-F Rubber 3Gх1.0мм2 3м
103 N000-022-216 Кабель-канал гибкий (42 звена) 1.390 р.
104 N000-022-217 Цепочка
105 N000-022-218 Ручка
106 N000-022-219 Пробка резиновая
107 N000-022-220 Шайба
108 N000-022-221 Винт
109 N000-022-222 Винт
110 N000-022-223 Гайка
111 N000-022-224 Винт
112 N000-022-225 Рукоятка 107 р.
113 N000-022-226 Гайка
114 N000-021-931 Ключ гаечный 98 р.
115 N000-022-048 Ключ гаечный большой 98 р.
117 V000-001-020 Насос СОЖ в сборе 8Вт 220В 1.819 р.
118 N000-031-527 Болт регулирующий
123 N000-031-528 Болт поперечный
124 N000-031-529 Фитинг M5х8
125 N000-031-530 Трубка СОЖ 2
126 N000-031-531 Болт поперечный
127 N000-031-532 Тройник СОЖ 588 р.
128 N000-031-533 Трубка СОЖ 1
130 N000-031-049 Винт наружный (без отверстия)
131 N000-031-050 Винт наружный (с отверстием)
138 N000-031-534 Вал
139 N000-031-535 Пластина прижимная
141 N000-031-536 Направляющая пластиковой цепи
142 N000-031-537 Фиксатор шнура
144 N000-031-538 Блок блокировки
145 N000-031-539 Пружина сжатия
149 N000-031-540 Ограждение 45 °
150 N000-031-541 Наклейка шкалы
151 N000-031-542 Заглушка упоров
152 N000-031-543 Пластина упора прижимная
153 N000-031-544 Ножка 2
154 N000-031-545 Ножка 3
155 N000-031-546 Подшипник шариковый 609-2RS (26x9x7) с V образной проточкой n/n (4шт.) 479 р.
156 N000-031-547 Подшипник шариковый 609-2RS (24x9x7) CKT 282 р.
160 N000-019-411 Комплект метизов ЭП-250-1200С 124 р.
Найдено товаров: 143
1
▲ Наверх
0
8 (925) 663-83-63

Call-центр

пн-вс: 10:00-19:00

НАЙТИ ПО МОДЕЛИ
Введите номер заказа
Введите номер своего заказа, что бы узнать его текущий статус.
Что бы получить доступ к расширенным функциям, пройдите не сложную регистрацию. Зарегистрироваться